Der er mange der efterlyser løsninger til bla. udendørs pir, i denne her vejledning viser vi hvordan man kan bruge en 24Vdc bevægelses sensor og hvordan man opsætter den på en shelly enhed, i denne guide bruger vi en LK Ihc pir (507DA304) som kan være i en standart Lk dåse uanset om det er indmuret, udvendig dåse/underlag eller en vandtæt ip66 til udendørs brug.
Først lidt om de produkter vi kan bruge til de forskellige løsninger:

Funktionen er at man kan trække bevægelse ud til en indgang og lux hvornår det er mørk nok i forhold til det indstillet på pir sensor på en indgang for sig.
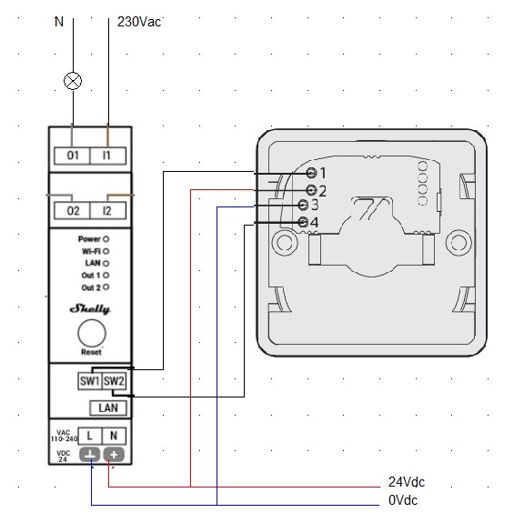
Du har følgende tilslutnings muligheder:
Terminal 1 – Bevægelses udgang
Terminal 2 – 24Vdc strømforsyning
Terminal 3 – 0Vdc
Terminal 4 – Skumrings udgang (lux)
Denne udgang er altid aktiv, når lysniveau er under den indstillede værdi.

Vi skal bruge en 24Vdc pir (507DA304)
En Shelley 1 eller i4dc lidt afhængig af hvilket setup du ønsker, standalone eller til at styre andre enheder.


Ønsker vi at pir skal side udendørs skal vi også bruge: Opus 74 underlag og et adapter dæksel til montering af pir.


Princip diagram på opbygning:
Denne opbygning vil virke ved bevægelse og med skumring da det er indstillet på pir, ønsker man skumring med kan man med fordel bruge en Shelly pro 2

Denne opbygning vil virke ved bevægelse og med skumring da det er indstillet på pir, indgang for skumring kan bruges til andet eks. at fortælle om lyset skal tænde aut. i bryggers ved gennemgang (kræver kontakt på døren)

Denne opbygning vil virke ved bevægelse og med skumring da det er indstillet på pir, skumrings indgangen kan bruges til at styre andre komponenter under handlinger i appen eller man kan bruge funktionerne i Homey Pro / HA

Indgang på shelley skal så programmeres til at benytte sensor hvis den skal bruges stand-alone/shelly miljø:


